公司名称:上海伍贺机电科技有限公司
联系人:赵经理
电话:021-51602186,13816972865
传真:021-33321923
邮箱:hlandhx@126.com
地址:上海市闵行区华中路468号A幢209室
公司名称:河北伍贺机电科技有限公司
联系人:赵经理
电话:13731461132
邮箱:zhaox1977@163.com
地址:河北省石家庄市长安区建华城市广场B座1701
一、 概述:
恒流量调节阀:能够自动控制,不管是管路中入口(一次侧)压力变化还是出口(二次侧)压力变化,始终能够保持管路中的流体流量为恒定输出。 一般与浮子流量计结合使用,其管路中的流体流量由浮子流量计就地指示直接读出。
二、 流量控制范围
流量范围 液 体 最小0.9~9L/h 最大30~300L/h 气 体 最小0.015~0.15m3/h(nor) (空气,20℃,1atm) 最大0.9~9m3/h(nor) 最高使用压力 1.0MPa(玻璃浮子流量计) 5.0MPa(金属浮子流量计) IN~OUT之间容许差压 0.1~0.6MPa 控制精度 ±5%F.S. 最高使用温度 120℃ 连接 NPT1/4",Rc1/4"
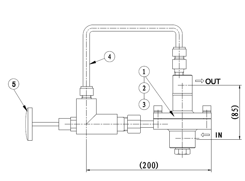
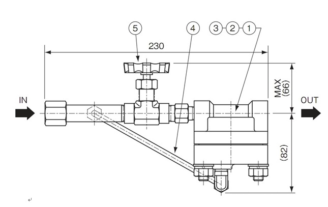
■ 外形尺寸
一次压变用 C_1-V
二次压变用 C_2-V
■ 部件材质表
件号 部件名称 部件材质 ① 恒流量阀本体 SUS304,SUS316 ② 弹簧 SUS304,SUS316 ③ 振动膜片 氟橡胶,PTFE ④ 导管/接头 SUS304,SUS316 ⑤ 调节阀 SUS304,SUS316 联系电话:021-51602186 传 真:021-33321923 邮箱:hlandhx@126.com







